Solutions
Horse Construction offers full range of structural strengthening materials with technical supports, documentation supports, products supports, project supports.
Reinforcement technology of prestressed carbon fiber reinforced polymer laminate is 4-6 times higher strength than that of non prestressed carbon fiber reinforcement technology.t can not only improve the bearing capacity of concrete beams, but also significantly improve the service performance of reinforced beams.
2018-03-26 15:37:00The carbon fiber strip and prestressed CFRP plate are all carbon fiber strip in the final analysis. The difference between the two is from the different reinforcement methods they belong to.The reinforcement methods of carbon fiber cloth and carbon fiber strip are all passive reinforcement, and the prestressed CFRP plate is the active reinforcement.
2020-03-25 10:40:13Drawing test is the most effective method to test the effect of rebar planting. The HM-500 injection type rebar adhesive is 100% through the experiment or on the spot.
2020-03-25 10:57:35Prestressed carbon fiber plate strengthening technology is a kind of active reinforcement technology applied to bridge and long-span beam and other flexural members. It is popular because of its advantages of not increasing self weight and unloading.
2020-03-25 10:55:41In view of durability and safety considerations, the raw material for structural reinforcement carbon cloth is polyacrylonitrile fiber (PAN).The unidirectional carbon fiber fabric used for structural reinforcement is easily soaked by adhesive and is generally used in 12K small tow knitting and 24K small tow knitting.
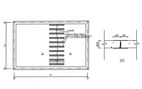
2020-03-25 10:51:15Unidirectional carbon fiber fabric is used for beam and slab flexural reinforcement, and beam, column, wall shear reinforcement, confined concrete for seismic strengthening of columns, also for crack repair and dynamic load member reinforcement, reinforcement and repair.
2020-03-25 10:44:49Carbon fiber reinforced polymer(CFRP) wrap can be successfully used for concrete structure, seismic shear and flexural strengthening. But it should be pointed out that because many inherent characteristics of CFRP reinforcement structure, many concrete structures are not suitable for strengthening with carbon fiber, so it is necessary to analyze their applicability.
2018-03-09 15:56:311 layers of carbon fiber reinforced polymer(CFRP) laminate is equivalent to 4-8 layers of carbon fiber reinforced polymer(CFRP) fabric.Low cost,cost effective compared with other retrofitting method.Light weight, no influence to original structure
2018-03-07 15:50:201.The prestressed CFRP plate makes the concrete(because of the crack is out of work) in the lower part become the effective section
2020-03-24 14:11:21The high strength properties of CFRP (carbon fiber reinforced polymer) can be brought into play in advance, and there will be greater strain before the two force, which can effectively reduce or even eliminate the phenomenon of CFRP sheet strain lag, and achieve better reinforcement effect.
2020-03-24 14:09:51